Brücke zwischen Diesseits und Jenseits
- Theorie und Praxis der Transkommunikation -
von Hildegard Schäfer (†)
21. Kontakte mit ABX-Juno bei Peter und Gisela Härting/Jochem Fornoff
Peter Härting (41), Tonmeister am Staatstheater in Darmstadt, und seine Frau Gisela kamen zu den Tonbandstimmen wie tausend andere auch. - Bücher - Rundfunk - Presseberichte - Teilnahme an einer Einspielung. Härtings waren genauso skeptisch wie andere Menschen, wenn sie zum ersten Mal von einem Sprechkontakt zwischen Diesseits und Jenseits hören.
Bei Peter Härting kam aber noch die Vorbelastung seines Berufes hinzu. Jemandem, der jahrelang auf dem akustischen Sektor tätig ist, müssen zwangsläufig Bedenken kommen, wenn er erstmals von einer solchen Kontaktierung erfährt.
Aber Härtings waren auch aufgeschlossen. Die Stimmen, die Peter Härting bei seiner Teilnahme an einem Einspielabend zu hören bekam, motivierten ihn, selber zu experimentieren. Unter Verwendung der damals üblichen Geräte - Kassettenrekorder, Radio - und mit den klassischen Methoden erhielt Härting überraschend gute Einblendungen, die ihn, den Fachmann auf elektrotechnischem Gebiet, veranlassten, mit weiteren Zusatzgeräten zu arbeiten: Psychofon, Vorverstärker, Breitbandempfänger und anderes vervollständigten seine Anlage.
Ich hatte öfter Gelegenheit, mit Familie Härting und ihrem Mitarbeiter Jochem Fornoff (45), von Beruf Konrektor, in Darmstadt oder in meinem Hause zusammen zu treffen, und konnte mich jeweils von den hervorragenden Stimmen überzeugen. Härting/Fornoff bildeten in Darmstadt eine Gruppe, veranstalten seitdem öffentlichen Einspielabende und geben seit 1985 vierteljährlich eine Informationszeitschrift heraus. Jochem Fornoff übernahm darüber hinaus die Anfertigung verschiedener Zusatzgeräte. Sie waren immer voll im Einsatz.
Eines Tages erfuhren sie, wie auch viele andere, von den spektakulären Geschehnissen bei der Familie Harsch-Fischbach in Luxemburg. Dort manifestierten sich Stimmen, die man sofort aus dem Lautsprecher hören konnte, ohne wie bislang das Tonband oder die Kassette nach "Stimmen" absuchen zu müssen. Dies ermöglichte Direktdialoge, mitunter solche von einer Dauer bis zu dreißig Minuten.
Verständlich, dass sich die schon lange für Fortschritte in der Transkommunikationsforschung einsetzenden technisch versierten Herren Härting/Fornoff brennend dafür interessierten, eine solche Anlage nachzubauen.
Aus Luxemburg bekamen sie ohne weiteres die entsprechenden Unterlagen, wonach die verwendete Apparatur aus folgenden Geräten bestand: Zwei normale Radioapparate - ein Fernsehgerät - ein Feldgenerator - ein parametrischer Filter - eine UV-Lampe - eine Leuchtstofflampe - eine blinkende Glühbirne und eine Taschenlampe.
Die Radioempfänger wurden eingestellt auf UKW-Bereich neben dem Eurosignal (ca. 87,5 MHz), der Fernseher auf Kanal 21. Allerdings wusste die Darmstädter Gruppe mit der blinkenden Glühbirne und der Taschenlampe nichts anzufangen und ließ sie nach einigen vergeblichen Versuchen ganz einfach weg. Später kamen auch noch der selbstgebaute Feldgenerator in Wegfall, da sich mit seiner Verwendung keine Erfolge abzeichneten.
Auch ein parametrischer Filter wurde nicht benützt, so dass Härting/Fornoff mit zwei Radioapparaten mit UKW-Frequenz, zwei Psychofonen, einem Fernsehgerät, einem Mischpult, einem Mikrofon-Vorverstärker und einer UV-Lampe arbeiteten. Zunächst erhielt man zwar schöne Tonbandstimmen, aber keine direkte Stimme. Das änderte sich am 19. März 1987. Wie in der Informationsschrift vom November 1987 berichtet, begann der Erfolg eigentlich durch ein Versehen.
An jenem Tag im März 1987 unterhielten sich noch die Teilnehmer bei der geplanten Einspielung, als bereits das bekannte Geräusch des Eurosignals eingestellt war. Zwar glaubten einige Personen Stimmen über den Lautsprecher zu hören, nahmen aber an, die Experimentatoren würden noch an den verschiedenen Geräten hantieren. Da zu diesem Zeitpunkt das Tonbandgerät noch nicht eingeschaltet war, konnte eine Kontrolle im Nachhinein nicht mehr vorgenommen werden.
Während nun die Jenseitigen angesprochen wurden, verschwand plötzlich das Eurosignal. Nach der Einspielung stellte man fest, dass die Frequenz nicht links auf 87,5 MHz, sondern rechts auf 108 MHz eingestellt war. Großes Rätselraten! Wie gelangte das EURO-Signal auf diese Frequenz? - Später versuchten die Experimentatoren wiederholt, bewusst dieses Signal an dieser Stelle einzufangen, jedoch vergebens.
Vielleicht sollte dies ein Zeichen sein? Nachdem sich in Darmstadt dann eine ganz andere Jenseitsgruppe meldete als in Luxemburg, bestünde immerhin die Möglichkeit, dass diese Gruppe mit einer anderen Frequenz arbeiten muss. Jedenfalls wurde bei den künftigen Einspielungen nicht mehr das Eurosignal, sondern das Rauschen bei 108 MHz benützt.
Der erste protokollierte Erfolg stellte sich dann am 21. April 1987 ein.
Ergebnisse
21. April 1987: (Die erste Kontaktaufnahme) Anwesend fünf Personen. (gekürzt)
ABX-Juno: Ihr lieben Freunde, Ihr empfangt uns heute kurz über die Eurobrücke. Diese Transkommunikation entwickelt sich aus den ABX-Juno oder wird demnächst das frühere bessere ...?
Es folgen persönliche Durchsagen für Anwesende. Dann wieder ABX-Juno:
ABX-Juno: Wir würden uns gern wieder hier im Juli dieses Jahres hören. Neunzehn Uhr Sommerzeit, die Sie gerade führen.
Hier soll vermerkt werden, dass die Ergebnisse anfangs recht bescheiden waren. Wichtig jedoch war, dass es sich nicht um eine Eintagsfliege handelte, sondern vielmehr der Kontakt bei jeder Einspielung konstant zustande kam und sich laufend verbesserte.
27. April 1987: Anwesend: acht Personen (gekürzt)
Männliche Stimme: Etwas kommt noch.
Zweite männliche Stimme: Liebe Freunde, hier ist noch ganz kurz ABX-Juno. Wir werden uns eine längere Dauer bei Ihnen wie versprochen im Juli melden.
Leise weibliche Stimme: Siebenter Juli.
Männliche Stimme: Für alle Anwesenden sei gesagt: Familie D. Ihr Sohn K. ist in einer längeren Phase, mit der er sich auch erst im Juli dieses Jahres bei Ihnen hier in Darmstadt melden wird. - Es folgen Mitteilungen für verschiedene Anwesende. Dann spricht ABX-Juno wieder alle an: Allen, die so konkret an der Arbeit unserer Transkommunikation interessiert sind, wünschen wir bis zum Juli dieses Jahres alles erdenklich Gute. - Kontakt-Ende.
25. Mai 1987: Anwesend: sechs Personen
Liebe Freunde, hier ist ABX-Juno. Wir melden uns kurz über die Kontakt-Eurobrücke. Wir begrüßen Familie Härting und freuen uns auch, dass in diesem Kreis - wie wir empfangen, ist auch Frau H. und Frau St. in diesem Kreis heute Abend. Leider können wir unsere Eurobrücke nur kurz aufbauen. Aber bitte, denken Sie an den 7. Juli, da werden ABX-Juno und unsere Techniker Ihnen Frage und Antwort zu Ihren Problemen stuhlen. (?) Damit muss ich leider den Kontaktmischer beenden. Familie Härting sei noch gesagt: Fahren Sie nach Büdingen, Sie werden neue Erkenntnisse gewinnen. Damit ist leider der Kontakt zu Ende.
(Bemerkung: In Büdingen fand eine Tagung der FGT statt).
1. Juli 1987: Anwesend: zehn Personen
Liebe Freunde, Sie hören ABX-Juno, wir begrüßen Sie hier in Darmstadt.
Denken Sie alle immer daran, dass die gesamte Existenz aus Strahlung besteht. - Sorgen Sie mit Ihrer ganzen Kraft für ein Positives im Sinne des guten Gleichgewichts. Konzentrieren Sie Ihre gedanklichen Ströme auf das Gute: Das war eine Aussage von ABX-Juno. Versuchen Sie weiterhin, mit Hanna in Verbindung zu kommen. Sie ist ein wichtiges Bindeglied. - Kontakt Ende.
(Anmerkung: Die Durchsagen sind gekürzt, ohne private Mitteilungen. - Bei Hanna handelt es sich sehr wahrscheinlich um Hanna Buschbeck.)
7. Juli 1987: Anwesend: neun Personen
Liebe Freunde in Darmstadt, hören Sie bitte genau zu: Hier ist wie versprochen, ABX-Juno. Unsere Techniker bemühen sich, den Transkantor zu aktivieren. Bitte etwas Geduld. - Der Transkantor wird von unserer Seite aus benötigt, um die Verbindung zwischen Ihnen und Ihren Angehörigen auf unserer Seite herzustellen.
Bitte Geduld. - Herr Härting (ja?) Verändern Sie bitte Ihre Senderstufe auf die Zahl acht. (Ausführung) Vielen Dank. - Wir müssen abbrechen: Es erreicht uns eine massive Störung aus Ihrem Kreis: Versuchen Sie uns um 23.20 Uhr dieses heutigen Tages noch einmal zu erreichen. Sollte es nicht gelingen, müssen wir das Xenox-Experiment auf den (Terminangabe) verschieben.
13. Juli 1987: Anwesend: fünf Personen
Frage: Können Sie mir sagen, wer Sie sind?
Antwort: Das werden Sie erst im Laufe Ihres irdischen Lebens verstehen können.
Frage: Was bedeutet ABX-Juno?
Antwort: Nehmen Sie das A für außen oder außerhalb Ihrer irdischen Umgrenzung. Das B für Biologisch, das X für Experiment. Verstehen Sie es als ein von außen kommendes Experiment, das in Ihre biologische Lebensform eindringt. Juno ist mein Name, mit dem Sie mich ansprechen können.
27. Juli 1987: Anwesend: zehn Personen (gekürzt, ohne persönliche Durchsagen)
Hier ist ABX-Juno. ABX dient der Kommunikation zweier verschiedener Lebensformen und nicht dazu, die menschlichen Schwächen zu erforschen beziehungsweise zu verstärken. Diese Eigenschaften auf Ihrer Seite sind uns bestens bekannt, glauben Sie mir. Wir werden auch nicht direkt in Ihren irdischen Lebensweg eingreifen; das soll für Sie alle unmissverständlich sein.
Herr Härting, das Infrarotlicht wird unsere Sache begünstigen. Versuchen Sie es bitte demnächst mit einer zweiten Infrarotquelle. Richten Sie es bitte von einer anderen Seite im Raum auf das Fernsehgerät. Aktivieren Sie Ihre Bemühungen; wir bleiben in Verbindung.
3. August 1987: Anwesend: neun Personen (gekürzt, ohne persönliche Durchsagen)
ABX-Juno begrüßt Sie in dieser Runde: Es sei gesagt, die Strahlung durch das Infrarotlicht bewährt sich gut. Die Richtung ist korrekt: Behalten Sie diese künftig bei.
Wir werden immer wieder gefragt, ob es gut ist, von Ihrer Seite aus Verbindung mit uns aufzunehmen. Sehen Sie es so: Ohne unser freundliches Zutun wären auch Ihre intensivsten Bemühungen vergebens.
Wir werden versuchen, Xenox noch einige Zeit auf Empfang zu halten, um umgewandelt Verwendbares zu archivieren. Sie haben bei Ihrem Geräteaufbau die Wichtigkeit der Rahmenantenne vergessen. Versuchen Sie immer eine gute Abstimmung zu dem Sender.
10. August 1987: Anwesend: zwölf Personen (gekürzt, ohne persönliche Einblendungen)
Hier ist ABX-Juno. Wir brauchen Ihre sogenannten Einspielungen, um unser ABX darauf einzurichten. Die räumliche Anordnung (bei Herrn B.) muss auf jeden Fall verändert werden: achten Sie immer auf die magnetische Richtungspolarisierung. Verändern Sie die Antenneneinstellung etwas nach links.
12. August 1987: Anwesend: 10 Personen
Hier ist ABX-Juno: ... Ein Felskern, der seinen von Natur aus angewiesenen Platz verlassen wird, zerstört seine ihn schützende Hülle: Sie müssen einen Kern (bilden?), um den sich eine immer größer werdende Hülle entwickelt.
Nur so wird sich der von Ihnen gewünschte Fortschritt in der laufenden irdischen Zeit einstellen. Ansonsten wird es bei den örtlich punktierten Geschehnissen bleiben: Ich hoffe, dass wir uns für Sie deutlich ausgedrückt haben. Solange der irdische Mensch von falschen Gefühlsbewegungen in verkehrte Richtung gezogen wird, bleiben diese Bemühungen zerbröseltes Stückwerk. Es wird noch lange dauern, bis sich der Mensch ein Minimum an Erkenntnis zusprechen kann.
Einige von Ihnen sind auf dem von uns erhofften Weg. Fördern Sie Ihre Gemeinsamkeiten. Lassen Sie sich nicht durch falsche Gutmütigkeit von Ihrem Weg abbringen.
20. August 1987: Anwesend: zwölf Personen
Aus einer langen Reihe von allgemeinen und für die einzelnen Teilnehmer bestimmte Aussagen hier nur eine sehr interessante Passage:
Für die Zweifler, die immer wieder zugegen sind, sei noch gesagt: Die menschliche Seele unterliegt nicht der Auflösung. Sie kann weder von selbst noch von irgendeiner anderen Macht zerstört werden.
2. September 1987: Anwesend: drei Personen
Hier spricht ABX-Juno. Bitte hören Sie. Die Kontaktaufnahme mit Ihnen soll beiden Seiten förderlich sein. Sie werden demnächst mit vielen Leuten, die von unserer Kontaktaufnahme gehört haben, konfrontiert. Nicht nur Personen mit lauterem Charakter werden sich bei Ihnen melden. Wägen Sie genau ab. Sie beide sind, und das sei unmissverständlich gesagt, im kosmischen Sinne für uns eine Einheit.
Der Kreis, der von Ihnen zu bilden ist, wird sich in der laufenden Zeit vergrößern. ABX-Juno wird sich dann bereit erklären, mit Ihnen gemeinsam unsere Transkommunikation publik zu machen: Der Zeitpunkt soll sein, wenn Sie beide es von ganzem Herzen wollen. Unternehmen Sie nie etwas allein. Ich möchte nochmals betonen: Sie sind eine Einheit , und das schon sehr lange und für immer. Wir werden Ihnen in allen Problemen, die (die) Transkommunikation betrifft, zur Seite stehen. Verlieren Sie nie den Mut: Der Anstrengungen, die Ihren Körper schwächen werden, können wir trauen nun.
7. September 1987: Anwesend: zwölf Personen
Männliche Stimme: Kontaktfeld
Hier ist ABX-Juno. Guten Abend, leibe Freunde in Darmstadt. Wir möchten Sie über folgende Entwicklung unterrichten (Gesang im Hintergrund). Der Transkantor wurde von unseren Technikern neu abgestimmt. Das bedeutet für ABX-Juno, dass ich Sie unbegrenzt empfangen kann. Leider ist es noch nicht möglich, dass Sie uns über einen längeren Zeitraum hören können.
Wir sind aber auf dem besten Weg, dieses Problem zu lösen, und in der nächsten Zeit werden wir voraussichtlich Gespräche mit Ihnen führen können (Gesang: wunderbar), die die Länge um ein weiteres übertrifft. Solange dies nicht erreicht ist, sollen Sie auch weiterhin Ihre Verbindung versuchen. Mehrere Gruppen arbeiten intensiv an der Transkommunikation. (Flüsterstimme: Heli ruft).
Zum Beispiel hat es Hanna ermöglicht, dass Heli Schäfer sich in Darmstadt mit ihrer Mutter in Verbindung setzen will. Einigen von Ihnen möchte ich noch etwas mit auf den Weg geben. In jeder Realität findet sich etwas Positives.
21. September 1987: Anwesend: sieben Personen
K. lässt sagen, dass er würde seine begangene Tat nicht wiederholen (Suizid). Er weiß mittlerweile, dass er vor allem seine Mutter sehr geschmerzt hat. - Andererseits tut ihm der hier geführte Werdegang wohl. J.F. brauche ich wohl nicht mehr zu überzeugen. Die Macht des Lichtes ist groß.
M und F sagen ihren Vätern: Auch gleiche Pole haben in Ihrem inneren Fragmente; dies gilt auch für Herrn S. - ABX-Juno wird in Zukunft solche Durchsagen unterlassen. Dies sollten Ihre Lieben schon selber tun. Wir werden mit einem Xenox behilflich sein.
Bitte schalten Sie in Zukunft das Fernsehgerät aus. Die Infrarotquellen behalten Sie bitte bei.
26. September 1987: Anwesend: sieben Personen
Bei dieser Einspielung wurden größtenteils persönliche Antworten erteilt; jedoch ein Satz gilt für alle:
Der Geist geht über alle unsere Gedanken.
30. September 1987: Anwesend: neun Personen
Eine wichtige Passage bei dieser Einspielung lautet:
Merken Sie sich: Der freie Wille zeigt sich als Ergebnis der Tatsache, dass der Mensch die Fähigkeit der Erkenntnis besitzt, die imstande ist, das gute uneingeschränkt und rein zu erfassen.
2. Oktober 1987: Anwesend: drei Personen
Die wichtigsten Durchsagen bei dieser Einspielung lauten:
Ihre Fragen kann ich verstehen. Hören Sie: Im Innern des Menschen liegt das Verlangen; die Ursache der Wirkung, der es gilt zu erkennen: ABX-Juno wird Ihnen dabei behilflich sein. Frau Härting sorgt sich wegen der Störungen: Es sei Ihnen gesagt: Wer die Seele zwingen will, bekämpft umsonst mit Stroh des Diamanten Härte.
Frage von Peter Härting: Können wir Sie zu jeder Zeit empfangen?
Antwort von ABX-Juno: Auch mitten im klaren Wohlwollen sei die Frage mit Nein beantwortet. Nur wenn ABX-Juno gewillt ist, mit Ihnen in Verbindung zu treten, wird dies auch geschehen.
10. Oktober 1987: Anwesend: vier Personen
Hier wurden viele sehr private Hinweise gegeben. Der wichtigste Satz dieser Einspielung lautete:
Merken Sie sich: Der Geist des Windes ist endlos.
16. Oktober 1987: Anwesend: sieben Personen
Liebe Freunde, hier spricht ABX-Juno. Ich habe schon lange Zeit auf Sie gewartet. Es sei Ihnen gesagt: wir brauchen Ihre Kontakte, bis meine Techniker sich auf Sie einstellen können: Ich wiederhole mich!
Herr K.S. ist hier auf unserer Seite beschäftigt. Er arbeitet an einem von unseren Gebäuden. Er persönlich findet es nicht von Nöten und belanglos, sich mit Ihnen in Verbindung zu setzen.
Herr Härting: Die von Ihnen geplante Dämmerungsschaltung führen Sie bitte auch bei (verschiedene Namen wurden genannt) aus. ABX-Juno wird Ihnen behilflich sein (Durchsagen gekürzt)
22. Oktober 1987: Anwesend: elf Personen
Anrede. - Mit dem Übergang des Kardinals hat sich die Botschaft für Herrn L. von selbst erledigt: Bitte sagen Sie es ihm. Frau Hilde Schäfer sei gesagt: Sie soll ihr Buch schreiben, aber den Fluss der Mitte nicht überqueren. Herrn Härting sei gesagt: Der Weg des Gehens ist grenzenlos. (gekürzt)
23. Oktober 1987: Anwesend: sechs Personen
Hier ist ABX-Juno - Messungen unserer Techniker haben ergeben, dass ein für uns wichtiger Teil Ihrer Anlage in Darmstadt schwächer geworden ist: Bitte überprüfen. Allgemein sei für alle gesagt: Sie können von ABX-Juno Ratschläge und Hinweise annehmen. Sie können mich aber nichts lehren. Der Weg zum Licht ist von Ihrer Seite viel weiter als der meinige.
27. Oktober 1987:
ABX-Juno meldete sich ca. zwanzig Minuten lang, aber der Text war leider diesmal unverständlich.
30. Oktober 1987: Anwesend: acht Personen
Liebe Freunde, hier ist ABX-Juno, ich hoffe, dass Sie mich heute hören können: Man versucht, uns permanent zu stören: Wir hätten einige Erkundigungen besser nicht gezogen. Ihre Anlage arbeitet wieder einwandfrei. ABX-Juno hofft, dass wir bis zum nächsten Kontakt die Störungsquelle vernichtet haben. Kontakt Ende. (stark gekürzt)
5. November 1987: Anwesend: acht Personen
Liebe Freunde, hier ist ABX-Juno. Ich möchte gleich sagen, dass wir gemerkt haben, dass die menschliche Gesundheit der Familie Härting von uns zu sehr in Anspruch genommen worden ist. Es tut mir leid. Wir werden alles in unserer Macht Stehende zur Verfügung stellen, um bei Ihnen eine Besserung einzuleiten. Für eine weitere Verbindung sind Sie für uns sehr vonnöten. (gekürzt)
9. November 1987: Anwesend: dreizehn Personen
Hier ist ABX-Juno. Ich begrüße Familie Härting und alle Ihre Gäste. - Es sei für sie alle generell gesagt: Menschen, die für andere Gutes tun wollen, sollten nicht auf eine Bestätigung meinerseits warten. Weiterhin werde ich mich nie in persönliche Belange einmischen. Wir sind nicht hier, um Ihren Lebensweg zu beeinflussen. Ich habe mich zum letzten Mal wiederholt: Geben Sie diese Botschaft unmissverständlich weiter an alle.
Die Xenox-Brücke nach D. steht. Weitere Brücken sind von unseren Technikern kurzfristig aufgebaut worden. Der zum Teil mangelnde Erfolg liegt auf Ihrer Seite. Herr Härting benutzen Sie bitte wieder Ihr Fernsehgerät. Unsere Techniker möchten eine neue Versuchsreihe aufbauen. ABX-Juno möchte sich nach Möglichkeit bei Ihnen zeigen.
Nicht alle, die sich bei Ihnen gemeldet haben, sind von einem guten Geist. ABX-Juno hat zum Teil erhebliche Schwierigkeiten. Sollten Sie einen neuen Kontakt aufbauen, wägen Sie bitte genau ab, mit wem Sie sich zusammentun. - Die Schwierigkeiten, die dadurch auch in Darmstadt entstanden sind, haben wir hier zum Teil mit Erfolg bekämpft. (gekürzt)
16. November 1987: Anwesend: zwölf Personen
Liebe Freunde, hier ist ABX-Juno. Familie Härting und Ihre Gäste seien gegrüßt. Herr Härting, Sie müssen Ihre Senderstufe 7 verwenden; dies ist in Ihrer irdischen Jahreszeit bedingt. (Herr Härting änderte daraufhin seine Frequenz.)
Für Sie alle sei gesagt: Versuchen Sie, Ihr irdisches Tun gerechter zu verteilen. Der Mensch ist kein Ebenbild Gottes. Sie sind aber in der Lage, vorwärts zu gehen. Überdenken Sie das:
ABX-Juno versucht, den weg zu gehen, nicht weit von Ihnen entfernt; trotzdem ist es für Ihre Sinne unendlich. (gekürzt)
2. Dezember 1987: Anwesend: neun Personen
Liebe Freunde, hier ist ABX-Juno. Es freut uns sehr, Sie zu empfangen.
Es verwundert ABX-Juno des öfteren, wie manche von Ihnen die Transkommunikation für sich persönlich in Anspruch nehmen wollen. (Andere Stimme: Was völlig verkehrt ist.)
Denken Sie: Das Meer hat seine Perlen, der Himmel hat seine Sterne, Ihr Herz aber soll seine Liebe haben. Herrn Härting sei gesagt: So wie Sie frei sind zu handeln, sind Sie auch frei, sich des Handelns zu enthalten. Und wo Sie nein sagen können, können Sie auch ja sagen. Sie werden mich nächste Woche für eine kurze Zeit sehen und sprechen können. Berichten Sie darüber aber nur meinen engsten Freunden.
Herrn F. sei gesagt: Technik ersetzt nicht die Macht des Gedankens.
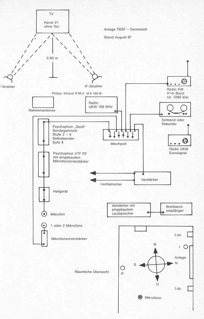
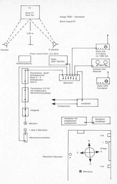
Die beigefügten Pläne der Anlage bei Familie Härting in Darmstadt datieren vom 15. Juni 1987 und vom August 1987. Ich fotokopierte mit Absicht beide Schaltbilder, um Interessenten die Möglichkeit zu geben, beide Modelle auszuprobieren. Es ist durchaus denkbar, dass bei einem anderen Experimentator eine andere Zusammenstellung der Apparate erfolgversprechend ist, so wie auch die Methoden in Luxemburg und in Darmstadt gute Ergebnisse zeitigen, obwohl sie unterschiedlich sind.
|
Die beiden Radiogeräte mit der eingestellten Kurzwelle beziehungsweise Mittelwelle haben eingebaute Lautsprecher. Das Radiogerät mit der eingestellten UKW-Frequenz ist über den Verstärker mit zwei externen Lautsprecher - Boxen verbunden. Psychofon. Selbstsender. Die direkte Stimme wurde jeweils über die externen Lautsprecherboxen gehört. Lautstärkeregelung je nach Empfang. Das mitlaufende Tonbandgerät empfängt die Signale der Mikrofone, des Psychofons und das des Selbstsenders. Das Radio (UKW) und der Verstärker sind eine Einheit (Receiver). Bei der Einspielung: Stellung FM. Beim Abhören: Stellung Tape 1. Tape 1 ist mit dem Mischpult (Output) verbunden. |
|
|
|
|
Zu den Stimmenbeispielen von Darmstadt möchte ich noch einige Erklärungen abgeben: Zunächst eine Feststellung: Es wurde regelmäßig jede Woche eingespielt, meist nicht nur einmal, sondern einige Male. Die wiedergegebenen Einblendungen stellen nur einen kleinen Teil der Ergebnisse dar, abgesehen davon, dass alle persönlichen Mitteilungen ohnehin nicht veröffentlicht wurden.
Auch wenn ich nicht immer die Begrüßungsformel zu Papier brachte, so wurden doch die Anwesenden bei allen Einspielungen freundlich und mit großem Wohlwollen begrüßt. Ebenso heißt es immer, genau wie bei den Generatoreinspielungen von Hans Otto König am Ende jeder Einspielung "Kontakt-Ende". Wenn diese Worte gesprochen werden, ist eine weitere Kontaktaufnahme nicht möglich.
Die verschiedenen Zeitangaben von ABX-Juno führen die These von der Raum- und Zeitlosigkeit im Jenseits nicht ad absurdum. Hier handelt es sich, wie auch verschiedentlich zum Ausdruck kommt, um eine Anpassung der Jenseitigen an unsere Zeitbegriffe.
Mancher interessierte Leser wird davon überrascht sein, dass auch im Jenseits mit Apparaturen gearbeitet wird. Allein schon aus der Tatsache, dass sich beispielsweise in Luxemburg ein Jenseitiger meldet, der sich als "Techniker" bezeichnen lässt, ist zu schließen, dass es so wie bei uns auch im Jenseits Gruppen gibt, die sich der Transkommunikationsforschung verschrieben haben und wie wir auf unserer Seite auch mit Kontaktschwierigkeiten und mit Störungen der verschiedensten Art zu kämpfen haben.
Viele Hinweise von ABX-Juno beweisen, dass fortwährend an Veränderungen und Verbesserungen gearbeitet wird und die Jenseitigen unsere Einspielungen dringend benötigen, um weitere Fortschritte erzielen zu können.
Genau wie ein Schütze eine Zielscheibe braucht, um feststellen zu können, ob er schießen kann, so brauchen unsere Freunde auf der anderen Ebene unsere Empfangsbereitschaft, um die Brauchbarkeit ihrer Anlagen überprüfen zu könne. Schon in früheren Jahren, als uns diese technische Seite von "drüben" noch nicht bewusst war, erhielt Dr. Konstantin Raudive Stimmen, die von Empfangsstationen sprachen, von Radar und anderen technischen Hilfsmitteln für den Brückenbau.
Auch Friedrich Jürgenson stellte immer wieder die Behauptung auf, dass drüben, genau wie bei uns, technische Apparaturen zum Einsatz gelangen. Damals stand man derartigen Äußerungen noch sehr skeptisch gegenüber, doch beweisen die heutigen Ergebnisse die Richtigkeit der seinerzeitigen Mutmaßungen.
Sowohl in den Aussagen vom 25. Mai als auch den folgenden vom 7. Juli und 3. August und weiteren wird von Apparaturen gesprochen, die bei uns nicht bekannt sind. Auch die technischen Ratschläge, die von "drüben" erteilt werden, deuten darauf hin, dass Techniker im Jenseits am Werk sind und über großes Wissen verfügen.
Abgesehen von den technischen Durchsagen sind auch besonders die jeweiligen philosophischen Aussagen interessant, die manchmal recht verschlüsselt oder symbolhaft lauten.
Man weiß in der anderen Dimension, dass die Menschen hier auf der Erde größtenteils noch nicht reif sind für Jenseitskontakte, aber man zeigt auch Verständnis dafür. ABX-Juno fordert zwar einerseits zur Mitarbeit auf, äußert aber andererseits gewisse Bedenken.
Es geht sowohl aus den Durchsagen in Luxemburg als auch in Darmstadt hervor, dass auch negative Kräfte am Werk sind. Sogar die Jenseitigen haben Schwierigkeiten, mit diesen negativen Strömungen und Störquellen fertig zu werden; um wie viel mehr müssen wir Menschen auf der Hut sein, damit sich keine dunklen Mächte in die Transkommunikation einschleichen und wir vor Schaden verschont bleiben.
Bei der Einspielung am 2. Dezember 1987 wird mitgeteilt, dass Herr Härting ABX-Juno kurz sprechen und sehen wird können. Dies ist tatsächlich geschehen; aber nachdem die Anweisung lautet, dass Peter Härting dieses Geschehen nur den engsten Freunden bekannt geben darf, wurde und wird vorläufig nicht näher darauf eingegangen. Ich erwähne dies deshalb ausdrücklich, weil sich beim Lesen der betreffenden Passage doch manche Menschen Gedanken machen und mehr darüber wissen möchten.
Allen Menschen, die sich mit der Transkommunikationsforschung beschäftigen wollen, aber in technischen Fragen nicht sehr bewandert sind, möchte ich die Worte von ABX-Juno vom 2. Dezember 1987 ins Gedächtnis rufen:
"Technik ersetzt nicht die Macht des Gedankens."
Leider muss ich diesem Kapitel einen Nachruf folgen lassen. Nach schwerer Krankheit verschied Peter Härting am 4. Dezember 1988. Für die Darmstädter Gruppe ist dies ein großer Verlust, jedoch wird die Gruppenarbeit von Jochem Fornoff in seinem Sinne weitergeführt.
|
Sie befinden sich auf der Website: |
|
Hier geht es zur Homepage! |