Brücke zwischen Diesseits und Jenseits
- Theorie und Praxis der Transkommunikation -
von Hildegard Schäfer (
)

  zum Buchinhalt 


11. Einspielung mit Psychofon

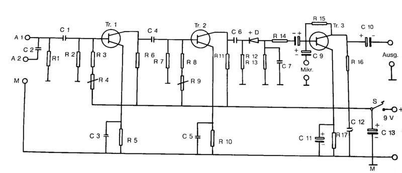
Der Wiener Ingenieur Franz Seidl (H1982) hat in den Jahren 1972 - 1974 speziell für die Tonbandstimmenforschung ein Gerät entwickelt, das er Psychofon nannte. Später wurde dieses Gerät durch andere Ingenieure, durch Techniker und auch Laien nach dem von Franz Seidl freigegebenen Schaltplan nachgebaut. Die heute konstruierten Psychofone entsprechen mit kleinen Abweichungen der ursprünglichen Bauart und unterscheiden sich auch nicht in den Ergebnissen vom Ursprungsmodell.

Das Psychofon ermöglicht drei Aufnahmemethoden zugleich:

  1. Breitbandempfang

  2. Selbstsender-Methode

  3. Mikrofon-Aufnahme

Breitbandmethode bedeutet den Empfang von Kurz-, Mittel- und Langwellenbereich gleichzeitig. Dadurch wird das Phänomen nicht, wie bei einer üblichen Rundfunkeinspielung, auf nur eine Frequenz eingeengt (Siehe auch das 12. Kapitel: Breitbandmethode).

Der Selbstsender wird ermöglicht durch den Einbau eines HF-Oszillators, der im Kurzwellenbereich tätig wird. Seine Schwingungen werden mit den im Breitbandempfang erhaltenen Signalen gemischt, was bewirkt, dass zusätzliche Energie zur Verfügung gestellt wird, die als Träger wirksam und unabhängig von Radiofrequenzen moduliert werden kann.

Die Signale, die über das Mikrofon empfangen werden, werden den Signalen des Breitbandempfangs sowie des Selbstsenders zugemischt. Die Summe dieser Signale gelangt zur Buchse "Tonband" oder "Kassettenrekorder" (Siehe auch "Einspielung mit Selbstsender", Seite 46). Mittels eines Kabels zwischen dieser Buchse und der Mikrofonbuchse des Aufnahmegerätes kann die Einspielung vorgenommen werden. Über Kopfhörer ist das Mithören möglich.

Es handelt sich bei Einspielungen mit Psychofon um drei Arten paranormaler Stimmen, die sich manifestieren.

  1. Mikrofonstimmen. Sie sind allgemein leise.

  2. Radiostimmen. Sie sind lauter, meist handelt es sich um Umformungen.

  3. Selbstsenderstimmen. Sie sind ebenfalls laut, unterscheiden sich aber in der Klangfarbe und durch längere Passagen von den anderen Stimmen.

Ich habe bereis in meinem ersten Buch über den Prototyp des Psychofons laut Ing. Franz Seidl berichtet, jedoch keinen Schaltplan veröffentlicht, da dies von Herrn Seidl in einem eigenen Buch (Transzendentalstimmen) geschehen ist.

Da Herr Seidl einige Jahre später Verbesserungen an seinem Apparat vornahm und mich davon in Kenntnis setzte, bringe ich hier den geänderten Schaltplan mit detaillierten Angaben, um technisch begabten Experimentatoren oder Fachleuten einen Nachbau zu ermöglichen.

Widerstände 0,25 W:
R 1, R 2: 12 kOhm
R 3: 6 kOhm
R 4: Regulator 0,1 MOhm
R 5: 390 Ohm
R 6: 820 Ohm
R 7: 12 kOhm
R 8: 6 kOhm
R 9: Regulator 0,1 MOhm
R 10: 390 Ohm
R 11: 820 Ohm
R 12, R 13: 47 kOhm
R 14: 6 kOhm
R 15: 100 kOhm
R 16: 12 kOhm
R 17: 300 Ohm
Kondensatoren 16 V-:
C 1: 0,15 µF
C 2: 50 pF
C 3, 4, 5, 6, 12: 15 µF
C 7: 3 nF
C 8, 9, 10: 22 µF
C 11: 220 µF
C 13: 220 - 500 µF

Die Werte der Widerstände und Kondensatoren können um die angegebenen Werte schwanken.


 

Tr. 1, Tr. 2: wie BF 310
Tr. 3:
wie BC 413

HF Diode:
AA 116, 1 N148


A 1, A 2: Eingang Antenne
M:
Masse
Mikr.:
Eingang Mikrofon

Ausg.: Ausgang zum Rekorder
S: Schalter oder R 9 als Poti mit Schalter

Die Buchsen für Antenne 1 und 2 sind isolierte Buchsen, da sonst durch das Metallgehäuse kurzgeschlossen. Schalter S für Batterie kann zweckmäßig mit einem Potentiometer anstelle des Reglers R 9 kombiniert werden. Buchsen Mikr. = Mikrofon, Ausgang wird an den Eingang des Tonbandgerätes angeschlossen. Das Metallgehäuse ist Abschirmung und liegt an Masse M, das ist Minuspol der Batterie.

Gründlichere, in mehr Einzelheiten gehende Aufschlüsse für einen perfekten Nachbau des Psychofons durch Amateure wären sicherlich erforderlich, jedoch würde eine derartige Abhandlung die Grenzen eines pauschalen Rückblicks auf schon bekannte, klassische Einspielmethoden überschreiten. Weitere Unterlagen können aber jedem Interessenten zur Verfügung gestellt werden.

Einspielung mit Selbstsender
Dieses Verfahren hat Prof. Alex Schneider, St. Gallen/Schweiz, zusammen mit Dr. Konstantin Raudive entwickelt. Es hat sich sowohl bei Dr. Raudive wie auch bei anderen Experimentatoren bewährt. Bei dieser Methode werden Träger geliefert, bei denen Radio- und Mikrofonfloskeln ausgeschlossen sind. Die Selbstsenderstufe bewirkt, dass Energie zur Verfügung gestellt wird, die gleichzeitig als Träger wirkt und unabhängig von Radiofrequenzen moduliert wird.

Die paranormalen Einblendungen weisen dieselben Merkmale auf, wie sie auch bei anderen Methoden auftreten. Amateurfunker werden mit der Selbstsendermethode keine Schwierigkeiten haben.

  zurück zum Anfang  


Sie befinden sich auf der Website: 

Hier geht es zur Homepage!