Brücke zwischen Diesseits und Jenseits
- Theorie und Praxis der Transkommunikation -
von Hildegard Schäfer (
)

  zum Buchinhalt 


10. Die Diodeneinspielung

Diese Aufnahmemethode wurde von Prof. Alex Schneider aus St. Gallen/Schweiz erdacht. Sie ermöglicht den Empfang vom Kurzwellen- bis in den Langwellen-Bereich, so dass verschiedene Frequenzen gleichzeitig ohne Umschaltung empfangen werden können.

Das Gerät ist sehr klein und kann auch von Laien nachgebaut werden (siehe den Schaltplan). Es wird an das Aufnahmegerät mittels eines Verbindungskabels angeschlossen. Wegen der Gefahr des Netzbrummens sollte das Gerät in einen kleinen (Metall-) Behälter eingebaut werden.

Der Vorteil der Diode ist die Zuführung eines Strahlungsgemisches und der problemlose Nachbau mit geringem Materialaufwand. Die Diode war über eine lange Zeitspanne hinweg ein sehr beliebtes Aufnahme- beziehungsweise Zusatzgerät, jedoch hat sie in den letzten Jahren aufgrund anderer Einspielmethoden unter Verwendung anderer Zusatzgeräte ihre Beliebtheit eingebüßt.

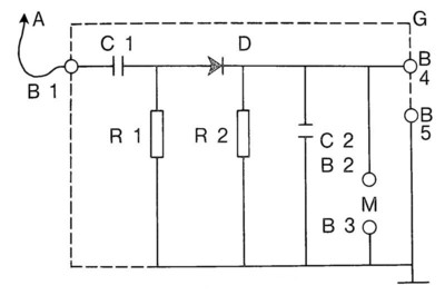
Hier eine Skizze der Diodenschaltung für Bastler:


Diodenschaltung

Erklärung zum Schaltplan:

Die Widerstände: R 1 und R 2 bis 100 kilo-Ohm, 1/4 Watt belastbar; die Kondensatoren: C1 = 1 nF, C 2 = 2 nF, Prüfspannung 12-15 V. D = Hochfrequenzdiode, etwa AA 116 o.a.; A = Antenne, ein Stückchen zusammenrollbarer Draht etwa 8 - 25 cm lang, empirisch zu ermitteln; B 1 = Antennenbuchse; B2 - B3 = Mikrofonanschluss; B4 - B5 = Ausgang; G = Gehäuse mit Masseleitung verbunden.


Die Antenne, die aus wenigen Zentimetern Draht besteht, liegt über einem kleinen Kondensator von ein Nanofarad an der Diode, um einer Brummspannung vorzubeugen. Die Antenne kann an eine isolierte Steckbuchse, die sich am Metallbehälter befindet, angesteckt oder aber durch ein Bohrloch direkt in das Gehäuse geführt werden.

Diode, Widerstände und Kondensatoren befinden sich auf einer kleinen Platte oder einem Streifen aus Isoliermaterial, zum Beispiel einem Pertinaxstreifen mit Lötfahnen oder ähnlichem.

Beim Aufnahmeversuch müssen Radiosender leise durchhörbar sein, denn würde man die Sprache oder Musik durch Verkürzen der Antenne ganz eliminieren, also die Modulation nicht mehr hörbar werden lassen, hätte man auch keine "Trägerfrequenz" zur Verfügung, und es kämen nur Mikrofonstimmen durch. Die Radioprogramme sind als Hintergrund unter Kontrolle zu halten; sie werden von den Jenseitigen oft paranormal in bezugnehmende Antworten transformiert.

In der Schaltanordnung ist zusätzlich ein Mikrofonanschluss vorgesehen; dadurch werden Empfang und Mikrofonaufnahme gleichzeitig ermöglicht. Man hat so zwei Empfangsmöglichkeiten transzendentaler Stimmen; gleichzeitig kann man die eigene Sprache mit aufnehmen, ohne umschalten zu müssen.

Die Arbeitswiderstände sind einer Kompromisslösung angepasst und können entsprechend auch anders gewählt werden.

  zurück zum Anfang  


Sie befinden sich auf der Website: 

Hier geht es zur Homepage!